На главную страницу сайта
· Наш магазин · Объявления · Рейтинг · Статьи · Частоты · Копилка · Аэродромы · Live!
· Файлы · Диапазоны · Сигналы · Музей · Mods · LPD-форум · Клуб · Радиостанции
На сайте: гостей - 59,
участников - 0
 · Начало · Опросы · События · Статистика · Поиск · Регистрация · Правила · FAQ · Галерея ·
 Форум —› Разработка, ремонт, схемы, модификации —› FM-радионаушники на TA2111FN - не держат частоту 
Трансиверы Yaesu в нашем магазине


Yaesu FT-817ND
руб.

Yaesu FT-857D
руб.

Yaesu FT-897D
руб.

Yaesu FT-450D
руб.

Yaesu FT-950
руб.
Автор Сообщение
Дата: 19 Июн 2008 16:29:56 #  

Здравствуйте. Посоветуйте чего.
Радионаушники "Defender HN930" в комплекте с передатчиком на 105 Мгц на TA2111FN - фиксированная частота приема.
В принципе девайс неплохой, высокая чувствительность, но есть проблема - уходит настройка.
На плате всего три проволочных контура - один переходной от антенны и еще два.
Так вот, когда чуть прикасаешься к одной катушке станция находится, потом после выключеня питания опять фигня -потерялась, вот так и пользую. Бывает забьет канал какая либо FM станция -поерзаешь этот контур найдешь свой передатчик и опять балдеешь пока не выключишь :-(
В чем проблема? Пайка в порядке, соплей нет, контур залил воском.
А как можно пристроить переменник и какой для ручной перестройки частот?
Arnold
Участник
Offline3.5
с июл 2005
Москва
Сообщений: 924

Дата: 19 Июн 2008 16:36:37 · Поправил: Arnold (19 Июн 2008 16:36:52) #  

Проблема скорее всего не в передатчике,а в приемнике-Не работает(неправильно работает) АПЧГ.Контуры не при чем.
Дата: 19 Июн 2008 16:40:05 #  

АПЧГ- встроенная в микросхему или в обвязку?
Arnold
Участник
Offline3.5
с июл 2005
Москва
Сообщений: 924

Дата: 19 Июн 2008 16:45:14 #  

Сама схема АПЧГ как правило,в микросхеме(хотя с этой не знаком,может кто поправит),навесной только контур,и что-то не пойму,где он здесь...
Дата: 19 Июн 2008 17:17:36 #  

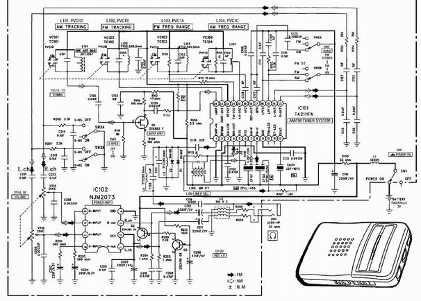
Родной схемы приемника нет, но вот нашел на AIWA-CR-A61, может поможет мне помочь?
Сам к сожалению не волоку в радиоприемниках :-(
Дата: 19 Июн 2008 17:21:18 #  

Вот еще "внутренность" микрухи от производителя
Arnold
Участник
Offline3.5
с июл 2005
Москва
Сообщений: 924

Дата: 19 Июн 2008 17:57:32 #  

Да,схема формирования напряжения автоподстройки и варикап в микросхеме.(выход АПЧ-19 ножка).А чтобы точно определиться-приемник врет или передатчик-поймайте сигнал на хороший приемник(цифровой с синтезатором частоты)Точно определите частоту,потом выключите и включите-увидите(точнее,услышите),ушла частота или нет.Из обвязки микросхемы можно проверить электролитические конденсаторы на 3,5,18 ножках.Ну и все ,пожалуй.Теоретически,конечно,можно отключить АПЧ,отрезав дорожку от 19 ножки,и попробовать контуром настроиться и выключать-включать питание-посмотреть,что происходит,частота может гулять немного,но срыва не должно быть.Вот только в реале,думаю,так проверить может и не получиться-приемник будет реагировать на влияние рук и т.д. Вот наверно все,что могу подсказать.Подобные неисправности у меня бывали в блочно- модульных телевизорах 80-х годов.Из-за гемороя с ремонтом и настройкой модуля АПЧГ,мы просто его выбрасывали и телевизор всю оставшуюся жизнь прекрасно работал без него-но то было совсем другое исполнение-стабилизированное питание варикапов настройки,все радиочастотные и ПЧ блоки были экранированы.
Дата: 19 Июн 2008 18:51:51 #  

Большое спасибо за советы, проверю что смогу.
А может настройка приемника уходить из-за питания? Стоят новые алкалайновые батарейки.
Конденсаторы не должны вроде уже плавать, новый аппарат - тупо поменяю на новые.
Что интересно, после того как частоту зацепит - пашет нормально, устойчиво. По выключении питания не более полуминуты, все нормально, а вот как побольше полежит обесточенный - дрова.
Как можно сделать плавную подстройку и вынести регулятор на корпус? Вроде конденсатор надо подстроечный паралельно контуру поставить, но не знаю какой номинал и тип. А еще бывает применяется в
качестве настройки на самодельных FM приемниках переменный резистор... Подскажите.
Arnold
Участник
Offline3.5
с июл 2005
Москва
Сообщений: 924

Дата: 19 Июн 2008 21:52:49 #  

Лучше,конечно,найти причину,а не бороться со следствием.Просто подстроечный конденсатор,подпаянный проводами в контур из-за влияния рук,головы,изменения температуры итд даст такую нестабильность частоты,что пользоваться станет вообще невозможно.Можно применить переменный резистор и настройку варикапом,но это потянет за собой новый вопрос-стабилизация питания варикапа(напряжение батареек ведь немного меняется)Это тоже решаемо,но требует дополнительных деталей в устройстве.Именно поэтому в ЧМ приемниках,даже самых простых мыльницах применяется АПЧ.И если вначале устройство работало,есть смысл найти причину.Может,откликнется кто-либо,кто располагает измерительными приборами,и кто имел дело с настройкой аналогичных ЧМ трактов.
Дата: 20 Июн 2008 11:38:31 · Поправил: Nest (20 Июн 2008 11:40:50) #  

Думаю, что радионаушники изначально такие и были. Когда покупал и проверяли в магазине - заработали с "толкача"/ Продавец подключил сначала их к ноутбуку, заработали, но очень тихо (арументация слабый аудиовыход, много электроники включенной - наводки). Подключил дома к телеку тоже заработали, но тихо с наводками FM трансляции. Поюзав контур - громкость приема в два раза поднялась, качество супер, но вот со стабилизацией остались проблемы. Если не получиться отремонтировать, прикуплю недорогую мыльницу и буду пользовать ее как внешний приемник, передатчик работает нормально (тьфу-тьфу).
Но это уже будет другая тема на форуме :-)
 

Создавать сообщения могут только зарегистрированные участники форума.
Войти в форум :: » Логин » Пароль
Начало
Средства связи, рации. Купить радиостанции Motorola, Yaesu, Vertex, приемники, антенны.
Время загрузки страницы (сек.): 0.051; miniBB®